E+H数字压力变送器PMC71采用无油陶瓷传感器的数字式压力变送器,主要用于过程工业和卫生行业,可测量液体和气体的压力、液位、体积和质量。PMC71使用耐真空陶瓷膜片,确保测量系统高度**。量程可调,快速设定功能使调试更简单,节省成本和时间。
优点
• **的重复性和长期稳定性
• 高参考测量精度:max. ±0.025 *
• *大量程比为100:1,更高量程比可通过特殊选型订购
• 过程压力监控的*高**等*为SIL 3,通过TÜV SÜD 认证,符合IEC 61508 标
准
• 在操作过程中对测量单元和电子插件进行功能监测,**性高
• 隔膜密封系统采用**的TempC 膜片,*大限度地降低了环境和过程温度变化
引起的测量误差
• HistoROM®/M-DAT 确保能简便地更换电子插件
• 标准化平台,适用于差压变送器(Deltabar S)、静压变送器(Deltapilot S) 和压力变
送器(Cerabar S)
• 合理用户界面,调试简单快速
• 多项诊断功能
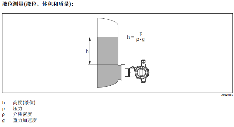
E+H数字压力变送器PMC71测量原理:
陶瓷传感器是非充油传感器,即过程压力直接作用在坚固耐用的陶瓷过程隔离膜片上,导致膜片发生形变。陶瓷基板电*和过程隔离膜片电*可以检测与压力成比例关系的电容变化量。陶瓷过程隔离膜片的厚度确定了测量范围。
![]()

产品设计:
![]()

优点
• 针对应用优化,在仪表软件中选择液位测量模式。
• 通过用户自定义特征曲线可在任意形状的容器中进行体积和质量测量。
• 多种液位测量单位可选,自动单位转换。.
• 可以设置用户自定义单位。
• 应用广泛,例如:
– 泡沫液面
– 带搅拌器或屏蔽装置的罐体
– 液化气体
部分产品型号:
|
DTI200-A12A1A |
FDU80-RG2S |
FDU83-RG3 |
FDU91-RG8AA,L=50M |
|
DT1200-A14C1A |
FDU80-RG2A |
FDU83-RG2A |
FDU91-RG5AA |
|
DT1200-A14B1A |
FDU80-RG1A |
FDU83-RG2L=10M |
FDU91-RG4AA |
|
DT1200-A12B1A |
FDU80-JG8A电缆长度50米 |
FDU83-RG2 |
FDU91-RG3AA |
|
DK9CM-7 |
FDU80-JG8AL=5M |
FDU82-RG3A |
FDU91-RG2AA |
|
DK8MS-A4D1A2 |
FDU80-JG1B |
FDU82-RG3 |
FDU91-RG1AA |
|
DK8MS-A2D1A2 |
FDU80F-RN3 |
FDU82-RG2 |
FDU91-JG4AA |
|
DC12TE-A11AB1BKL1,L1=250MM |
FDU80F-RG3A |
FDU82-RG1 |
FDU91-JG1AA |
|
DC12TA-A11EL1BM41L=12 |
FAU70A-2452 |
FDU81-RG8A,L=50M |
FDU91F-RG1A |
|
DC11TEN-AA11D1BK41,L=1600MM |
FAU40-2N |
FDU81-RG4A |
FDU91-EN1AA |
|
DC11TEN-AA11B1BKK1L=3M |
FAU40-2G |
FDU81-RG3A |
FDU86-UN6 |
|
DC11TEN-AA11A1BKL1L=600 |
FAU40-1G |
FDU81-RG2A |
FDU86-RG6 |